Skuteczne działanie maszyny leśnej, a zarazem bezpieczeństwo operatora uzależnione są w dużej mierze od opon. Dlaczego? To one zapewniają przyczepność pojazdu do nawierzchni, amortyzację wstrząsów i warunki bezpieczeństwa.
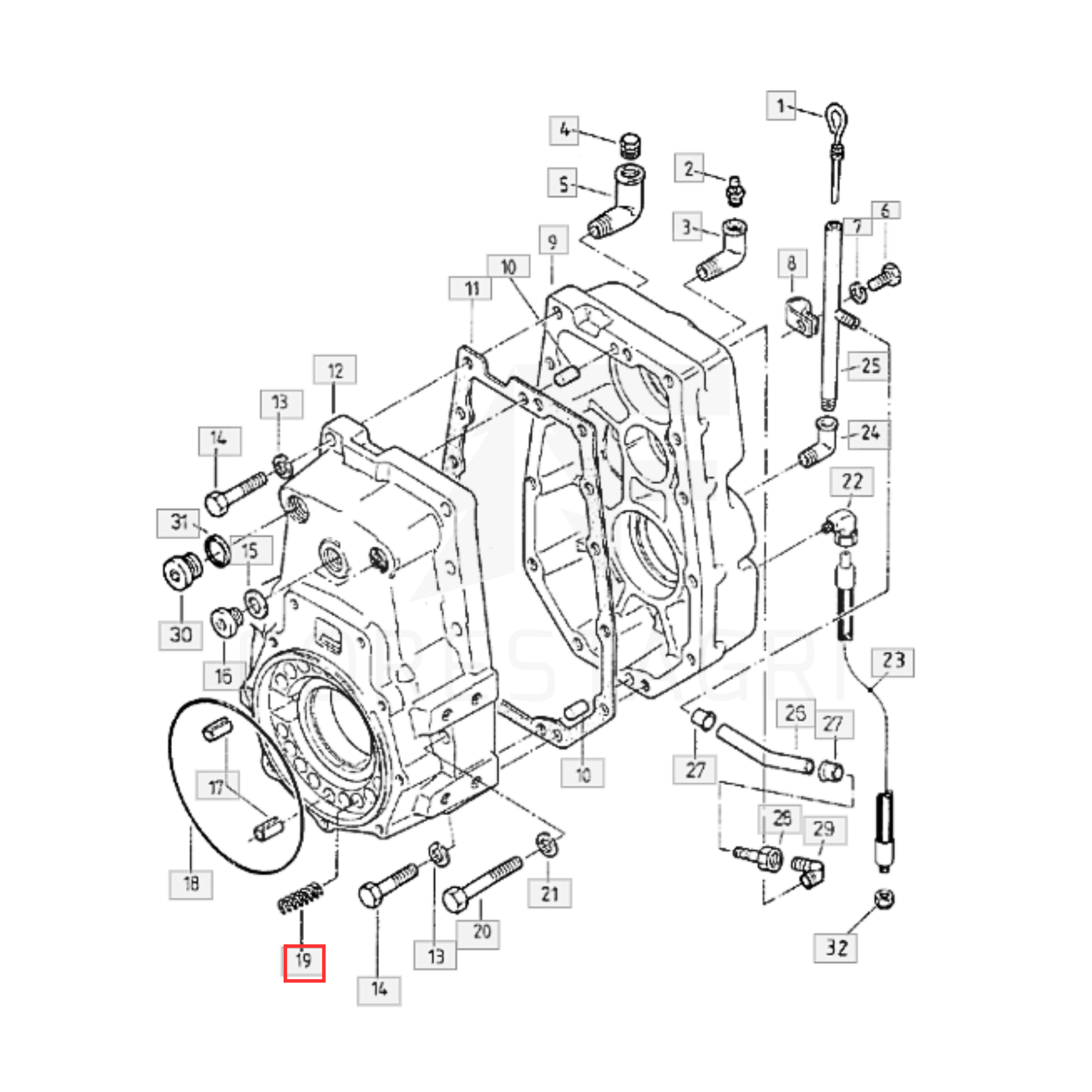
Sprężyna odpowiada za utrzymanie odpowiedniego napięcia oraz stabilizację podzespołów w miejscach narażonych na duże obciążenia i wibracje. Zapewnia prawidłowe działanie mechanizmów ruchomych, redukuje przeciążenia elementów współpracujących i chroni je przed przedwczesnym zużyciem.
Sprężyna montowana jest wewnątrz obudowy układu przeniesienia napędu (zgodnie z rysunkiem technicznym – poz. 19). Element ten pracuje w bezpośrednim kontakcie z innymi podzespołami, dlatego jego prawidłowa praca ma istotny wpływ na trwałość i niezawodność całego układu.
Pliki cookies i pokrewne im technologie umożliwiają poprawne działanie strony i pomagają nam dostosować ofertę do Twoich potrzeb. Możesz zaakceptować wykorzystanie przez nas wszystkich tych plików i przejść do sklepu lub dostosować użycie plików do swoich preferencji, wybierając opcję "Dostosuj zgody".
W tym miejscu możesz określić swoje preferencje w zakresie wykorzystywania przez nas plików cookies.
Te pliki są niezbędne do działania naszej strony internetowej, dlatego też nie możesz ich wyłączyć.
Te pliki umożliwiają Ci korzystanie z pozostałych funkcji strony internetowej (innych niż niezbędne do jej działania). Ich włączenie da Ci dostęp do pełnej funkcjonalności strony.
Te pliki pozwalają nam na dokonanie analiz dotyczących naszego sklepu internetowego, co może przyczynić się do jego lepszego funkcjonowania i dostosowania do potrzeb Użytkowników.
Dane wykorzystywane przez dostawcę oprogramowania sklepu - Shoper S.A. Na ich podstawie dokonywane są analizy, związane z rozwojem oprogramowania, oraz mierzona jest skuteczność kampanii reklamowych. Nie są łączone z innymi informacjami, podawanymi podczas rejestracji i składania zamówienia. Więcej na ten temat przeczytasz w Polityce plików cookies Shoper.
Dzięki tym plikom możemy prowadzić działania marketingowe.