Czujnik średnicy - F067033

Dostępność: w magazynie
Wysyłka w: 24 godziny
Cena brutto: 1 521,49 zł
zawiera 23% VAT, bez kosztów dostawy

Cena regularna:

1236.98
Najniższa cena z 30 dni przed obniżką:
Cena netto: 1 236,98 zł
bez 23% VAT i kosztów dostawy

Cena regularna:

Najniższa cena z 30 dni przed obniżką:
ilość szt

Dostawa możliwa w ciągu 2-7 dni roboczych.

towar niedostępny

Producent: Inny
Kod produktu: 1F067033

Opis

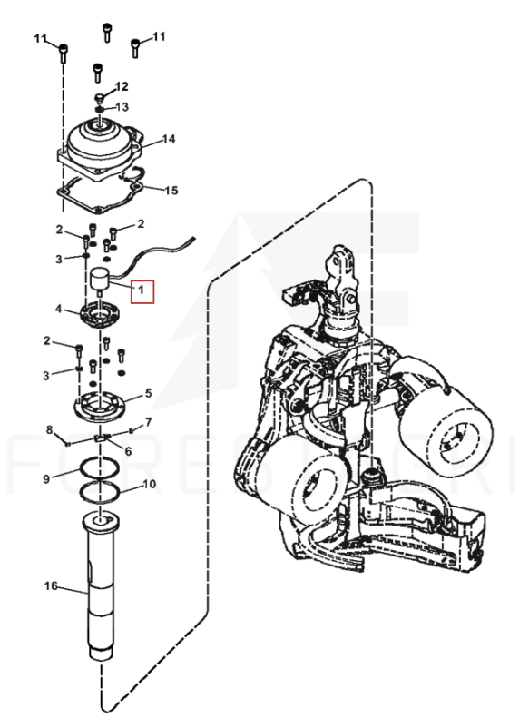
Czujnik średnicy F067033 to specjalistyczny komponent stosowany w systemach pomiarowych głowic harvesterowych, wykorzystywany w maszynach leśnych. Umożliwia on precyzyjny pomiar średnicy drzew podczas pracy, co jest kluczowe dla wydajności i dokładności procesów cięcia oraz dalszej obróbki drewna.

 

Produkt pasuje do głowic harvesterowych takich jak 745, 758HD, 762C, H270, H270E, H412, H414, H480, H480C, H742, H752, H752HD, H754, HTH240, HTH250, HTH250HD, HTH260, HTH450, HTH460, HTH470HD, HTH616, HTH616C, HTH618C, HTH622B, HTH623C, HTH624C, HTH625C, HTH626.

Produkty powiązane

do góry
Sklep jest w trybie podglądu
Pokaż pełną wersję strony
Sklep internetowy Shoper Premium